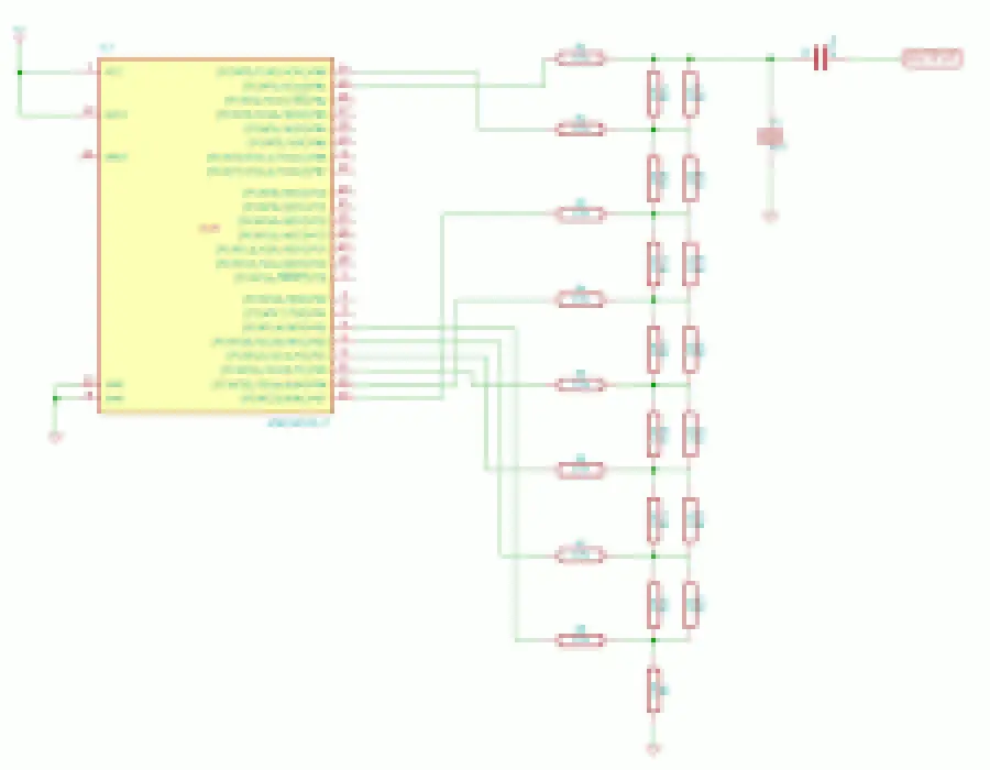
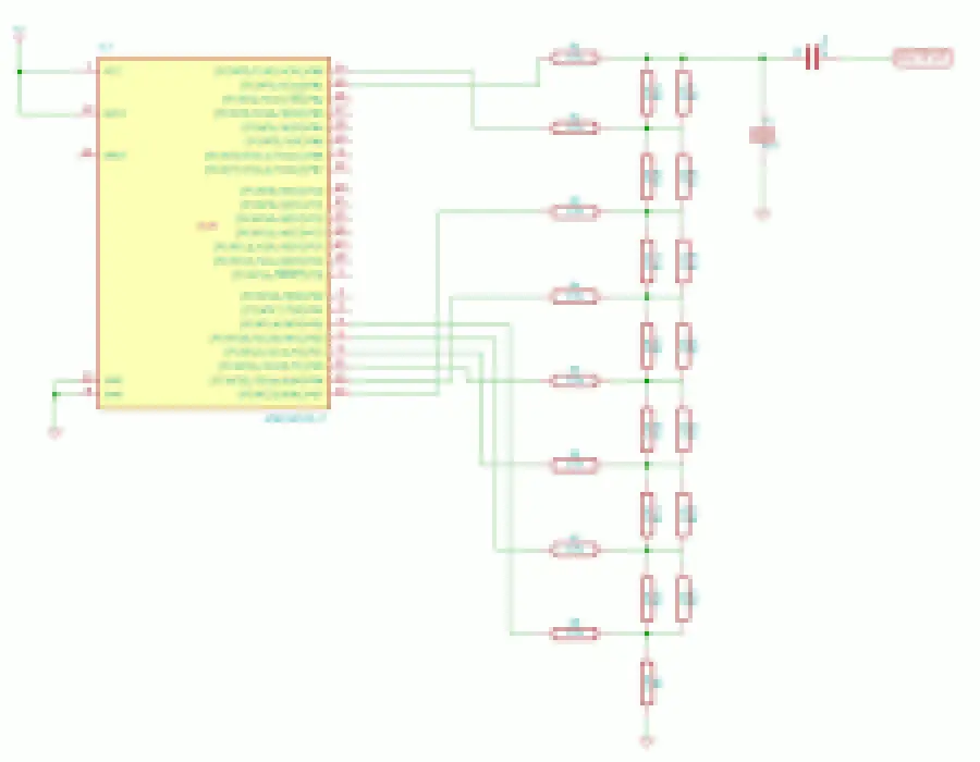
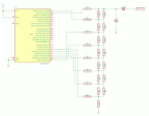
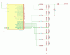
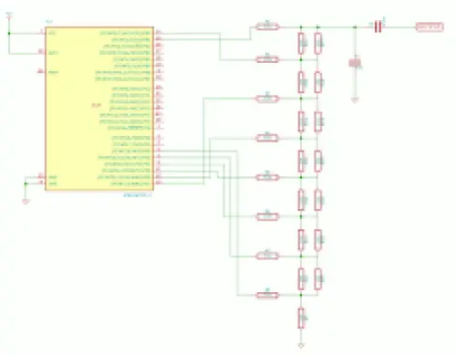
Il Ladder DAC o "Bit non è necessariamente bit", parte II
di Redazione
19/07/2018
Articolo Precedente
La BBC rivela che i flussi live 4K UHD hanno raggiunto il picco di 60.300 spettatori
Articolo Successivo
Elipson presenta diffusori per home cinema Infinite
Redazione